Fractales: Mirar los tipos de lágrimas a través de un microscopio da resultados INCREÍBLES
Fractales: Mirar los tipos de lágrimas a través de un microscopio da resultados INCREÍBLES

Tech

23 de junio de 2014

2 minutos lectura

Fractales: Mirar los tipos de lágrimas a través de un microscopio da resultados INCREÍBLES

Comparte:

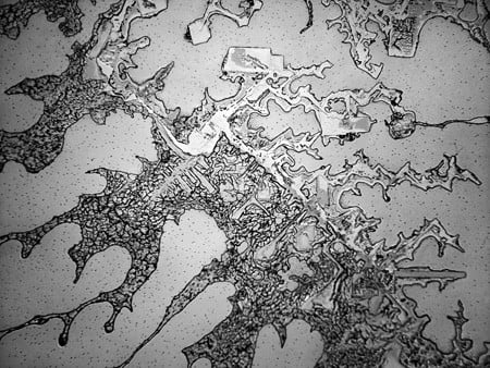
Rose-Lynn-Fisher_topography-of-tears_FullyM_004

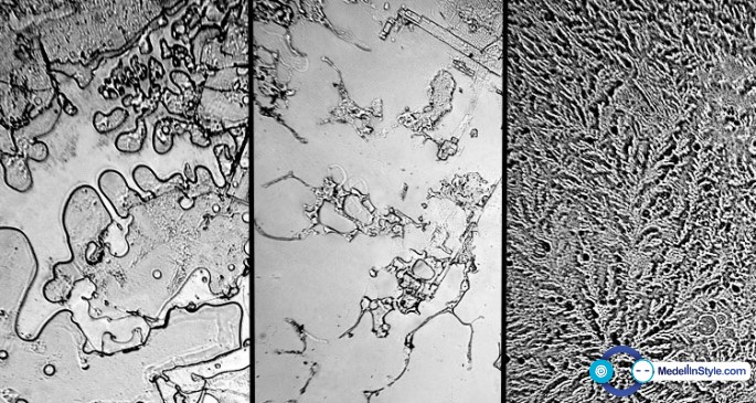
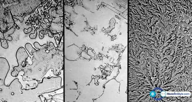
Lágrimas de reír hasta llorar

tear1-620x

Lágrimas de cambio

tear2-620x

Lágrimas de dolor

tear3-620x

Lágrimas de reír hasta llorar
tear1-620x

Lágrimas de cambio
tear2-620x

Lágrimas de dolor
tear3-620x

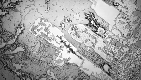
Lágrimas por pelar una cebolla
tear4-620x

Joseph Stromberg del Colegio de las Artes y las Ciencias del Smithsonian explicó que hay tres tipos de lágrimas: basales, reflex y psíquica (desencadenados por emociones). Todas las lágrimas contienen sustancias orgánicas, incluidos aceites, anticuerpos, y enzimas que y se suspenden en agua salada.
Los diferentes tipos de lágrimas tienen moléculas distintas. Las lágrimas emocionales tienen hormonas a base de proteínas, incluyendo la leucina encefalina neurotransmisor, que es un analgésico natural que se libera cuando estamos estresados​​. Además, las lágrimas vistas bajo el microscopio cristalizan la sal y pueden dar lugar a diferentes formas y formas. Así que hasta lágrimas psíquicas con la misma composición química pueden ser muy diferentes.

Lágrimas basales
tear5-620x
Lágrimas de un reencuentro esperado
tear6-620x
Lágrimas de fin y comienzo
tear7-620x
Lágrimas de liberación
tear9-620x
Lágrimas de posibilidad y esperanza
tear10-620x
Lágrimas de alegría en un momento importante
tear11-620x
Lágrimas de recuerdo
tear12-620x

Lágrimas por pelar una cebolla

tear4-620x

Joseph Stromberg del Colegio de las Artes y las Ciencias del Smithsonian explicó que hay tres tipos de lágrimas: basales, reflex y psíquica (desencadenados por emociones). Todas las lágrimas contienen sustancias orgánicas, incluidos aceites, anticuerpos, y enzimas que y se suspenden en agua salada.

Los diferentes tipos de lágrimas tienen moléculas distintas. Las lágrimas emocionales tienen hormonas a base de proteínas, incluyendo la leucina encefalina neurotransmisor, que es un analgésico natural que se libera cuando estamos estresados​​. Además, las lágrimas vistas bajo el microscopio cristalizan la sal y pueden dar lugar a diferentes formas y formas. Así que hasta lágrimas psíquicas con la misma composición química pueden ser muy diferentes.

Lágrimas basales

tear5-620x

Lágrimas de un reencuentro esperado

tear6-620x

Lágrimas de fin y comienzo

tear7-620x

Lágrimas de liberación

tear9-620x

Lágrimas de posibilidad y esperanza

tear10-620x

Lágrimas de alegría en un momento importante

tear11-620x

Lágrimas de recuerdo

tear12-620x

Comparte: